空壓機控制
一.概述
空壓機是各種工廠、筑路、礦山及建筑行業的必備設備,主要用來提供源源不斷的具有一定壓力的壓縮空氣,例如給氣動閥供氣,給需要一定壓力氣體的工藝流程提供氣源。空壓機有很多種類,如螺桿式空壓機、活塞式空壓機、離心式空壓機、渦旋式空壓機等等,而螺桿式空壓機的市場潛力極大,并在很多行業得到廣泛的運用。空壓機在其控制中采用加載—卸載閥來控制空壓機的供氣,由于用氣設備的工作周期或是生產工藝的差別,使得用氣量發生波動,有時會造成空壓機頻繁加載、卸載。空壓機卸載后仍然工頻運轉,不僅浪費電能而且增加設備的機械磨損,并且加載是是一個突然的過程,會對設備和電網造成較大的沖擊。因此對空壓機進行變頻改造具有改善電機的啟動和運行、減少設備的機械磨損、在一定范圍內節約電能等效果。本文主要講述臺安空壓機控制器與東元7200GS變頻器組成的控制系統在螺桿式空壓機上的應用。
二.螺桿式空壓機工作原理
以單螺桿空壓機為例說明空氣壓縮機工作原理,如圖1所示為單螺桿空氣壓縮機的結構原理圖。螺桿式空氣壓縮機的工作過程分為吸氣、密封及輸送、壓縮、排氣四個過程。當螺桿在殼體內轉動時,螺桿與殼體的齒溝相互嚙合,空氣由進氣口吸入,同時也吸入機油,由于齒溝嚙合面轉動將吸入的油氣密封并向排氣口輸送;在輸送過程中齒溝嚙合間隙逐漸變小,油氣受到壓縮;當齒溝嚙合面旋轉至殼體排氣口時,較高壓力的油氣混合氣體排出機體。
采用變頻器可通過改變螺桿轉子轉速的方式來改變排氣量,當用氣量發生變化時,變頻器改變轉速的方式調節空壓機的排氣量,達到排氣壓力恒定不變,并節約能源的目的。

三.空壓機系統組成
1. 在空氣壓縮機控制系統中,采用空壓機后端出氣管道上安裝的壓力傳感器來控制空氣壓縮機的壓力。空壓機啟動時,加載電磁閥處于關閉狀態,加載氣缸不動作,變頻器拖動電機空載運行,一段時間(可有控制器任意設定,在此設置為10S)后,加載電磁閥打開,空壓機帶載運行。當空氣壓縮機啟動運行后,如果后端設備用氣量較大,儲氣罐和后端管路中壓縮氣壓力未達到壓力上限值,則控制器動作加載閥,打開進氣口,電機負載運行,不斷地向后端管路產生壓縮氣。如果后端用氣設備停止用氣,后端管路和儲氣罐中壓縮氣壓力漸漸升高,當達到壓力上限設定值時,壓力傳感器發出卸載信號,加載電磁閥停止工作,進氣口濾清器關閉,電機空載運行。
當空壓機連續運行,壓縮機主體溫度會升高,當溫度達到一定程度時,本系統設定為80℃(可有控制器根據應用環境自行設定)風機開始運行,用于降低主機工作溫度。風機運行一段時間,主機溫度下降,低于75℃風機停轉。
2.目前空壓機控制方式常用的有兩種,即工頻、變頻
⑴ 工頻配線方式(Y-△啟動)
工頻空壓機系統圖

A. 控制器配線圖
B.電機配線圖

工頻頻驅動方式下,壓力傳感器檢測空壓機出氣口排氣壓力,根據設定的“上限壓力設置”和“下限壓力設置”值進行進氣閥的開啟和關閉操作,使得出口壓力穩定在“上限壓力設置”與“下限壓力設置”值之間。由于螺桿式壓縮機嚴格要求不允許反轉,控制器會檢測引入空壓機系統的交流電源的相序,若有相序異常,將發出報警,使系統不能進入運行狀態。
控制器常用參數設置
停機壓力值、壓力上限、壓力下限、加載延時時間、散熱風機啟動溫度、散熱風機停止溫度
注:變頻器所用導線、接觸器、電抗器應根據說明書所給定的規格選擇
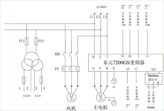
⑵ 變頻配線方式
變頻空壓機系統控制圖
C. 控制器配線圖

B.變頻器配線圖

空壓機變頻驅動方式的優點
⑴ 采用變頻方式可以使在用氣量不大的情況下,變頻器輸出頻率低于50Hz,從而達到節能目的。
⑵ 在變頻方式下,控制器與變頻器搭配,通過PID調節,可以保證出口壓力恒定。
參數設置
⑴ 控制器參數
停機壓力值、壓力上限、壓力下限、加載延時時間、PID參數、散熱風機啟動溫度、散熱風機停止溫度
注:以上參數需根據用戶的具體應用情況設定適當值
⑵ 變頻器參數
BN-01=20、BN-02=20、BN-05=101、BN-06=-6;SN-02=0F、SN-04=0100、SN-05=0010、SN-08=1111、SN-11=0100;SN30=0001、SN31=1000、CN-02=50、CN-07=1.5、CN-08=14、CN-09=398、CN-15=50、CN-23=2、CN-24=2、CN-36=10、CN-37=20;ON-09=80。
注:CN-09需根據實際使用電機的額定電流×1.15
注意事項:
A. 變頻器所用導線、接觸器、電抗器應根據說明書所給定的規格選擇;
B. 因空壓機嚴禁反轉,因此調試時需用點動功能來確定轉向是否正確。
3.調試步驟
⑴ 根據東元7200GS變頻器及臺安CCAC-M型空壓機控制器的規格,完成電源線及控制線的配線,注意變頻器外圍選購件(如:空開、斷路器、電抗器等)的連接及所用動力線的線徑、材質。
⑵ 設置控制器、變頻器參數,如上。
⑶ 上電運行空壓機,觀察設備是否運轉正常,若有故障,則根據具體故障現象排除故障,直至設備可以正常運行。
⑷ 設備運行正常后根據實際的用氣要求,調節合適的出氣口壓力,并使變頻器運行電流波動在很小的范圍內(10A以下),與電流波動相關的參數有,控制器P、I參數及變頻器ON09、CN08、CN15,可視實際情況調節。